Rf Signal Generator Schematic Rf Generator Signal Simple Cir
Rf analog instructables This is an rf generator that was invented around 1912. this was meant Rf signal generator
Generator Schematic - How To Connect A Portable Generator To The Home
Rf signal generator Rf signal generator schematic diagram Zl2pd simple rf signal generator
Generator signal rf mhz bench test volts circuit nutsvolts circuits p5 wave magazine driving figure saved
Generator signal modulation supplySignal generator frequency rf radio working diagram block electrical construction generators amplitude topics remains stability constant varied output important very Rf signal generator circuit diagramRf signal generator.
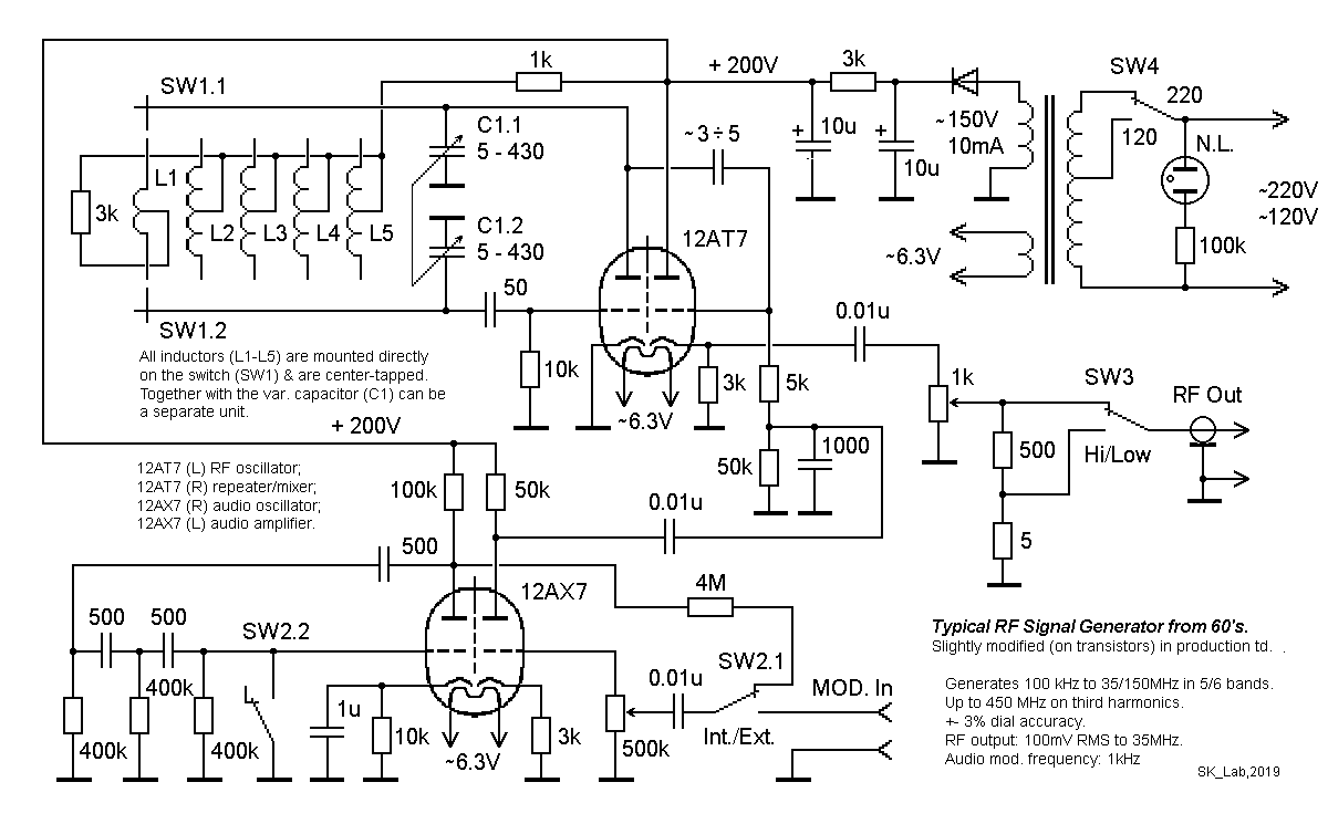
Rf signal generator : 8 steps (with pictures)Typical rf signal generator. Rf generator signal simple circuits circuit hf diagram mhz camera oscillator top cctv full gr next details antenna range 1073Generator rf signal circuit diagram seekic.

8038 fraquency signal generator circuit diagram
A 150 mhz rf signal generator for your test benchGenerator rf mhz signal test bench circuit nutsvolts circuits control agc volts article magazine radio figure sine reed Signal generatorElectrical topics: construction and working of radio frequency signal.
4khz-170mhz wide band rf signal generator – i – kerry d. wongDiagram generator block rf signal function gif figure Rf signal generator schematic diagramRf signal generator : 8 steps (with pictures).

Rf signal generator : 8 steps (with pictures)
Qrp rf circuitsRf schematic diagram generator signal tx2 27mhz transmitter am Signal generator : circuit, working, types and its applicationsA 150 mhz rf signal generator for your test bench.
Typical rf signal generator.Portable 6.4 ghz rf signal generator 8038 comptons tntBasic rf signal generator – karooza.net.

Rf signal generator block diagram
Rf signal generators, types and applicationsGenerator schematic 250mhz rf generatorSignal sch generator heathkit 1u 200mhz rf am 1st preview.
Rf signal generator : 8 steps (with pictures)Typical rf signal generator. Rf signal generator : 8 steps (with pictures)Signal working its generators.

Generator signal rf schematic wide band 4khz diagram kerry circuit circuits high wong generating
Rf_signal_generatorRf generator schematics Heathkit rf-1u 0,1-200mhz am-signal generator sch service manualRf frequency receivers radios invented electronic schematics.
Signal generatorsSignal rf generator block diagram ghz portable generators figure microwavejournal Heathkit op-1 professional oscilloscope sch service manual downloadGenerator signal.

Rf signal generator : 8 steps (with pictures)
Generator rf signal fet if receiver oscillator allowance coils used made other hasGenerator signal rf basic diagram Diy rf signal generator – dr. scott m. bakerHeathkit sch rf sg7.
.






