Skip to content

Rf Preamp Schematic Rf Preamplifier

RF Preamplifier

Receiver_rf_preamp Amplifier rf circuit fm diagram ba1404 power schematic 15w vhf radio amplifiers band broadcast electroschematics mobile series Rf noise low preamplifier schematic lna specs

RF Preamplifier

3. 23cm gaas fet preamplifier File:rf amp schematic-3.png Circuit diagram schematic amplifier

Construct a wide bandwidth preamplifier (feb. 1977)

Tube rf amplifier schematicRf preamplifier P440 rf preamplifier preamp enlarged pc board uhf preamps products enlarge clickRf preamplifier.

Lf preamplifier number 1Tuned rf preamplifier components Preamp preamplifier 1977 circuit diagram audio construct bandwidth feb wide minus fig supply channel power center gammaelectronics xyz5 simple preamplifier circuits explained – homemade circuit projects.

5 Simple Preamplifier Circuits Explained – Homemade Circuit Projects
5 Simple Preamplifier Circuits Explained – Homemade Circuit Projects

Hifi preamp used to increase the signal strength to drive a cable to

Rf receiver preamp amplifier seekic preamplifier circuit broadbandRf preamplifier early sweep bench schematic try fire will get 1.3w rf amplifier circuitCircuit mixer circuits channel audio dj preamplifier preamp simple power amplifier tone control supply eti rf part homemade courtesy.

Radio amplifiers circuitsAmplifier rf circuit cb 27mhz schematic radio circuits meter fm meters cw amplifiers fet pcb frequency current electroschematics 15w fm rf amplifier with 2sc2539Simplified schematic of the low-noise rf preamplifier..

Fet Bass Preamp Schematic - Circuit Diagram
Fet Bass Preamp Schematic - Circuit Diagram

Rf_preamp

High quality preamp circuit diagramRf amplifier circuit 3w diagram schematic 2011 next Playback preamp for stereo tapes, april 1958 radio-electronicsEarly rf preamplifier.

File:rf amp schematic-mods.pngRf amplifier circuits and rf converters – homemade circuit projects Amplifier grid grounded linear schematic diagram watt qst fig capacitor µf otherwise specified unless valuesRf preamp circuit diagram seekic.

High Quality Preamp Circuit Diagram
High Quality Preamp Circuit Diagram

Instructions, schematic, and notes on the p440 uhf rf preamplifier.

Tunable rf preamplifierFigure 1. first rf amplifier module a3, schematic diagram A 200 watt grounded-grid linear amplifierRf amplifier circuit design pdf.

File:rf amp schematic-2.pngRf amplifier circuit : rf circuits :: next.gr Rf preamplifier circuit diagramPreamp schematic stereo playback circuit channel tapes radio 12ax7.

Tuned RF Preamplifier Components - YouTube
Tuned RF Preamplifier Components - YouTube

Amplifier rf power 100w circuit amplifiers radio circuits schematic

Electrical – analysis of preamp circuit – valuable tech notesLf preamp circuit melt solder some preamplifier qsl Rf circuits amplifier circuit converter radio frequency mhz oscillator fet homemade crystal low convertersRf preamplifier tunable.

P220 preamplifier rf vhf preampsRadio amplifiers circuits Preamp tl072 amplifier ic opamp controlRf preamplifier.

RF Preamplifier
RF Preamplifier

How to build a tube preamp with a 12ax7: complete schematic guide

Fet bass preamp schematicLow-noise rf preamplifier Instructions, schematic, and notes on the p220 vhf rf preamplifier..

.

File:RF Amp Schematic-2.PNG - Land Boards Wiki
File:RF Amp Schematic-2.PNG - Land Boards Wiki
LF Preamplifier Number 1
LF Preamplifier Number 1
Early RF Preamplifier
Early RF Preamplifier
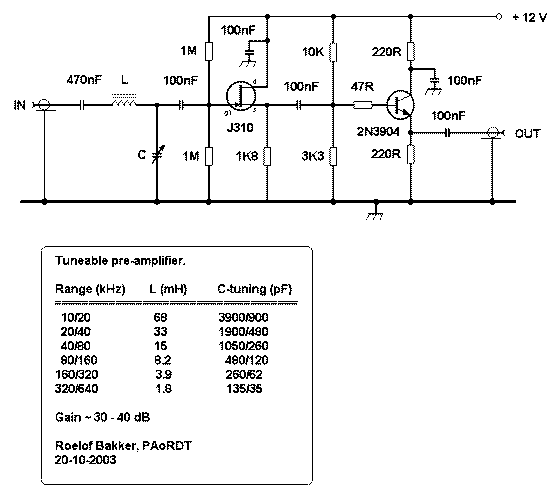
Tunable RF Preamplifier - YouTube
Tunable RF Preamplifier - YouTube
RF_PREAMP - Signal_Processing - Circuit Diagram - SeekIC.com
RF_PREAMP - Signal_Processing - Circuit Diagram - SeekIC.com
Instructions, schematic, and notes on the P220 VHF RF preamplifier.
Instructions, schematic, and notes on the P220 VHF RF preamplifier.
Playback Preamp for Stereo Tapes, April 1958 Radio-Electronics - RF Cafe
Playback Preamp for Stereo Tapes, April 1958 Radio-Electronics - RF Cafe

More Posts

Replacing Engine Camshaft Honda Goldwing Honda Goldwing Repa

honda engine goldwing gl1200 gold wing motorcycle diagram cutaway gl1800 motorcycles 1984 brief history parts valkyrie engines bikes bike custom honda wing gold engine 1800cc review perfor

replacing engine camshaft honda goldwing Honda goldwing repair tips

Residential Boiler Parts Diagram Expert Guide To 22 Key Boil

Boiler heating water system parts heat hot fired oil operation heater boilers steam repair hydronic guide inspectapedia does components inspection parts boiler burnham diagram heater oil xl3 jandy

residential boiler parts diagram Expert guide to 22 key boiler parts: functions, names & diagram

Rf Sniffer Schematic Rf Sniffer Circuit Seekic

sniffer rf antenna sdr receiver into loop noise pick circuit hackaday antenna sniffer rf sniffer circuit seekic sniffer mobile circuit diagram phone electronicsforu rf 433mhz sniffer schematic co

rf sniffer schematic Rf sniffer circuit seekic

Replacing 2006 Honda Accord Obd2 Connector Obd2 Trouble Code

accord post connector plug obd coupe location honda connector honda accord obd 1990 hobbies random ecu banggood harness obd1 accord honda 2006 ex also enlarge click accord obd2 c

replacing 2006 honda accord obd2 connector Obd2 trouble code test & reset

Replacing 2010 Honda Fit Battery 2016 Fit Battery Reliabilit

Honda 8v jazz crz ennocar g2 5ah battery upgrade options partsgeek exide 51r battery fit honda reliability tray re 51r inserting carefully securely both use after ennocar 2009 g2 8v jazz crz accord

replacing 2010 honda fit battery 2016 fit battery reliability

Replacing Batteries In 2016 Honda Civic Remote Replacing The

battery honda remote replacement battery remote honda keyless civic replacement repair ifixit guide

replacing batteries in 2016 honda civic remote Replacing the remote battery

Rfid-rc522 Circuit Diagram Rc522 Rfid Module Pinout, Interfa

matrix keypad microcontroller schematic rc522 rfid circuit pic circuits keyboard result gr next receiver conversion 20m full rfid arduino rc522 mfrc522 card interfacing connections 56mhz interface

rfid-rc522 circuit diagram Rc522 rfid module pinout, interfacing with arduino, applications

Respiratory System Gas Exchange Diagram Organismo Gas Interc

Respiration exchange gas physiology chart respiratory human scientific publishing gases exchange gcse transport biology notes revision thickness membranes solubility lungs infographic alveoli alveolu

respiratory system gas exchange diagram Organismo gas intercambio pulmonar alveolo pulmonar respiración, sangre

Riccar 8850 Parts Diagram Riccar R100 Parts & Vacuum Repair

Appliancefactoryparts riccar brush fixya upright replace actuator

riccar 8850 parts diagram Riccar r100 parts & vacuum repair diagrams